目次
(d) ユーザ拡張I/O
(作業中)
6. ユーザ拡張I/O
※ユーザ拡張I/OはオンボードLEDを除き、ユーザが必要に応じて部品を実装する必要があります。
RPi-ITX-KITはユーザ用に電源端子、Raspberry Pi GPIO端子、ヘッダピン(コネクタ)用端子、ユニバーサル基板領域を設けています。
(1) 電源端子
・ユーザが回路を増設する際に必要な電源を供給する端子です。GND、+5V、+3.3V、+12V、-12V用の端子があります。
・また、後述する別基板を設計する場合に備え、各電源のターミナルブロックを用意しています(TB1-TB8)。
・電源はATX電源供給コネクタ(J1)から供給されます。
・+5V電源端子はRaspberry Piに供給する+5V電源と同じで、RPi-PWR2で制御された+5V電源です。+5V電源端子はRaspberry Piが接続されてなくても、RPi-ITX-KITが電源を供給していれば+5Vを供給します。
・J4およびM1の+3.3V電源端子はRaspberry PiがGPIOコネクタを経由して供給する電源です(Raspberry Piが接続されていない、RPi-ITX-KIT単体の場合はJ4およびM1の+3.3Vは端子に電源は供給されません)。
・M2の+3.3V電源端子はATX電源供給コネクタ(J1)から供給された+3.3V電源です。
(2) Raspberry Pi GPIO端子:J4、M1及びM2
・M1及びM2の40ピンコネクタはRaspberry Pi GPIOコネクタの信号及び電源ピンと同じピン配置となっています。後述するユニバーサル基板領域の回路にRaspberry Pi GPIO信号を接続するのに役立ちます。
・RPi-ITX-KITでは、GPIO端子の中で、GPIO4とGPIO17信号を電源制御用に使用しています。
・SJ1およびSJ2を加工して、電源制御回路から切り離すことができます(方法は後述)
(3) ヘッダピン(コネクタ)用端子
・外部との信号をやり取りするためのコネクタやヘッダピンを実装できます。端子はJ3(8×2ピン)が用意されています。
・GPIO信号や電源、ユニバーサル基板領域に実装した回路の信号を引き出すために使用できます。
(4) ユニバーサル基板領域
・ユーザが必要な部品、回路を実装することができます。
・ピンピッチは2.54mm。
(5) ユーザ設計基板
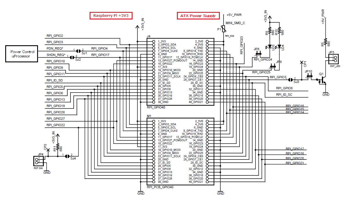
GPIO関連回路図 (抜粋)
ユーザ回路を設計する上で必要な回路情報を掲げます。
改造の方法
デフォルトの使用方法を変更したい場合は、回路図と以下の説明例を参考に改造することができます。
Raspberry PiのGPIOコネクタは+5Vと+3.3Vが配線されています。GPIOは基本的には+3.3Vロジックで、5Vトレラント(5V Tolerant)ではありません。注意する必要があります。
【拡張LED端子:JP3:CP1:SJ3:RPI_GPIO7:JP10】
Raspberry PiのGPIO7でPCケースのLED(通常はHDD LED)を点灯させることができます。
JP3はデフォルトでジャンパプラグが挿入され、CLOSE(ショート)されています。
(a) LEDを使用する必要がない場合:
ジャンパプラグ:JP10を外します。この処置で、GPIO7は別の目的に使用できます。
(b) LEDをユニバーサル基板領域に実装したユーザ回路から点灯させる場合:
SJ3のパターンをカットします。デフォルトではSJ3はショートパターンとなっています。
CP1とユーザ回路の目的の出力にワイヤーで接続します。
(c) LEDをRaspberry Piの別のGPIOピンで制御する場合:
SJ3のパターンをカットします。
M1の40ピンコネクタの所定のGPIOピンとCP1をワイヤーで接続します。
【RST端子:JP4:CP2:SJ4:RPI_GPIO22】
PCケースにRESET SW(ボタン)がある場合、このSW(ボタン)をRaspberry PiのGPIOで検出したり、ユニバーサル基板領域に実装したユーザ回路に使用することができます。
(d) RESET SWを使用する必要がない場合:
SJ4のパターンをカットします。デフォルトではSJ4はショートパターンとなっています。
(e) RESET SWをユニバーサル基板領域に実装したユーザ回路の入力SWとして使用する場合:
SJ4のパターンをカットします。デフォルトではSJ4はショートパターンとなっています。
CP2とユーザ回路の目的の入力端子にワイヤーで接続します。
(f) RESET SWをRaspberry Piの別のGPIOピンでセンスする場合:
SJ4のパターンをカットします。
M1の40ピンコネクタの所定のGPIOピンとCP2をワイヤーで接続します。
【LD3:JP8:RPI_GPIO24】
Raspberry PiのGPIO24でRPi-ITX-KITのユーザLED1(LD3)を点灯させることができます。
JP8はデフォルトでジャンパプラグが挿入され、CLOSE(ショート)されています。
(g) LD3を使用する必要がない場合:
ジャンパプラグ:JP8を外します。この処置で、GPIO24は別の目的に使用できます。
(h) LD3をRaspberry Piの別のGPIOピンで制御する場合:
ジャンパプラグ:JP8を外します。
M1の40ピンコネクタの所定のGPIOピンとJP8の1ピンをワイヤーで接続します。
【LD4:JP9:RPI_GPIO25】
Raspberry PiのGPIO25でRPi-ITX-KITのユーザLED2(LD4)を点灯させることができます。
JP9はデフォルトでジャンパプラグが挿入され、CLOSE(ショート)されています。
(i) LD4を使用する必要がない場合:
ジャンパプラグ:JP9を外します。この処置で、GPIO25は別の目的に使用できます。
(j) LD4をRaspberry Piの別のGPIOピンで制御する場合:
ジャンパプラグ:JP9を外します。
M1の40ピンコネクタの所定のGPIOピンとJP9の1ピンをワイヤーで接続します。
【PDN_REQ*:RPI_GPIO4:SJ1】
デフォルトでは、GPIO4はRaspberry PiからRPi-ITX-KITにパワーダウン要求を通知します。
デフォルトでは、GPIO4をユーザ回路に使用することはできません。
(k) 常にPCケースの電源ボタンで強制終了させる場合(GPIO4をユーザ回路に使用したい場合):
SJ1のパターンをカットします。
※ 但し、強制電源遮断は、OSによってはファイルシステムに損傷を与える場合があります。
【SHDN_REQ*:RPI_GPIO17:SJ2】
デフォルトでは、GPIO17はRPi-PWR上の電源ボタンの押下している時間が2秒~5秒未満の時、RPi-ITX-KITからRaspberry Piにシャットダウン要求を通知します。
デフォルトでは、GPIO17をユーザ回路に使用することはできません。
(l) GPIO17をユーザ回路に使用したい場合:
SJ2のパターンをカットします。
OSのシャットダウンシーケンスでRPi-ITX-KITの電源供給を停止させることはできます(セットアップが必要です)。
GPIO割り当て
※本製品:RPi-ITX-KITをRaspberry Piに接続した場合、ユーザはGPIO4およびGPIO17をプログラミング(使用)することができません。
この2つのピンはRaspberry PiとRPi-ITX-KIT間の電源制御に使用しています。
GPIO4はRaspberry PiからRPi-ITX-KITにパワーダウン要求を通知します。
GPIO17はRPi-ITX-KIT上の電源ボタンの押下している時間が2秒~5秒未満の時、RPi-ITX-KITからRaspberry Piにシャットダウン要求を通知します。
※Raspberry Pi Model-Bには2つのRevisionがあります。
Raspberry Pi Model-BのRev.1とRev.2では、GPIOポートのピンの配列が異なっているので注意して下さい。




